前言
本文概括
- 导入黑马点评项目
这里是前期的一些准备工作,以及会遇到的一些问题- 短信登录
这一块我们会使用redis共享session来实现- 商户查询缓存
通过本章节,我们会理解缓存击穿,缓存穿透,缓存雪崩等问题,让小伙伴的对于这些概念的理解不仅仅是停留在概念上,更是能在代码中看到对应的内容Redis学习目录
- Redis安装 点击我查看
- Redis基础篇 点击我查看
- Redis实战篇(一) 点击我查看(当前位置)
- Redis实战篇(二) 点击我查看
- Redis实战篇(三) 点击我查看
导入黑马点评项目
跟着视频导入项目即可,如果代码报错,可以将JDK的版本调整为1.8即可,如果还有一些地方不对,可以打开视频弹幕,根据弹幕提示,进行修改.
短信登录
基于Seission实现登录
思路:
发送验证码:
用户在提交手机号后,会校验手机号是否合法,如果不合法,则要求用户重新输入手机号
如果手机号合法,后台此时生成对应的验证码,同时将验证码进行保存,然后再通过短信的方式将验证码发送给用户
短信验证码登录、注册:
用户将验证码和手机号进行输入,后台从session中拿到当前验证码,然后和用户输入的验证码进行校验,如果不一致,则无法通过校验,如果一致,则后台根据手机号查询用户,如果用户不存在,则为用户创建账号信息,保存到数据库,无论是否存在,都会将用户信息保存到session中,方便后续获得当前登录信息
校验登录状态:
用户在请求时候,会从cookie中携带者JsessionId到后台,后台通过JsessionId从session中拿到用户信息,如果没有session信息,则进行拦截,如果有session信息,则将用户信息保存到threadLocal中,并且放行
发送验证码
1
2
3
4
5
6
7
8
9
10
11
12
13
14
15
16
public Result sendCode(String phone, HttpSession session) {
// 1.校验手机号
if (RegexUtils.isPhoneInvalid(phone)) {
// 2.如果不符合,返回错误信息
return Result.fail("手机号格式错误!");
}
// 3.符合,生成验证码
String code = RandomUtil.randomNumbers(6);
// 4.保存验证码到 session
session.setAttribute("code",code);
// 5.发送验证码
log.debug("发送短信验证码成功,验证码:{}", code);
// 返回ok
return Result.ok();
}登录注册
1
2
3
4
5
6
7
8
9
10
11
12
13
14
15
16
17
18
19
20
21
22
23
24
25
26
27public Result login(LoginFormDTO loginForm, HttpSession session) {
// 1.校验手机号
String phone = loginForm.getPhone();
if (RegexUtils.isPhoneInvalid(phone)) {
// 2.如果不符合,返回错误信息
return Result.fail("手机号格式错误!");
}
// 3.校验验证码
Object cacheCode = session.getAttribute("code");
String code = loginForm.getCode();
if(cacheCode == null || !cacheCode.toString().equals(code)){
//3.不一致,报错
return Result.fail("验证码错误");
}
//一致,根据手机号查询用户
User user = query().eq("phone", phone).one();
//5.判断用户是否存在
if(user == null){
//不存在,则创建
user = createUserWithPhone(phone);
}
//7.保存用户信息到session中
session.setAttribute("user",user);
return Result.ok();
}
实现登录拦截功能
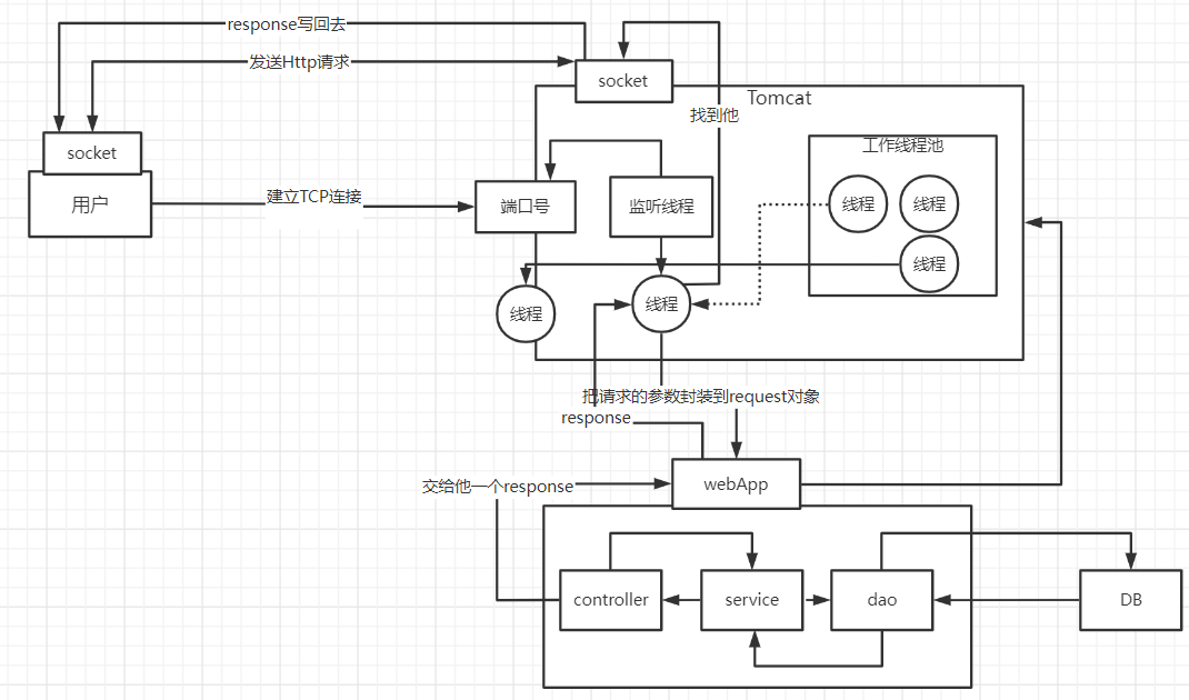
首先来看一下tomacat的运行原理:
当用户发起请求时,会访问我们像tomcat注册的端口,任何程序想要运行,都需要有一个线程对当前端口号进行监听,tomcat也不例外,当监听线程知道用户想要和tomcat连接连接时,那会由监听线程创建socket连接,socket都是成对出现的,用户通过socket像互相传递数据,当tomcat端的socket接受到数据后,此时监听线程会从tomcat的线程池中取出一个线程执行用户请求,在我们的服务部署到tomcat后,线程会找到用户想要访问的工程,然后用这个线程转发到工程中的controller,service,dao中,并且访问对应的DB,在用户执行完请求后,再统一返回,再找到tomcat端的socket,再将数据写回到用户端的socket,完成请求和响应
通过以上讲解,我们可以得知 每个用户其实对应都是去找tomcat线程池中的一个线程来完成工作的, 使用完成后再进行回收,既然每个请求都是独立的,所以在每个用户去访问我们的工程时,我们可以使用threadlocal来做到线程隔离,每个线程操作自己的一份数据
拦截器实现
1
2
3
4
5
6
7
8
9
10
11
12
13
14
15
16
17
18
19
20public class LoginInterceptor implements HandlerInterceptor {
public boolean preHandle(HttpServletRequest request, HttpServletResponse response, Object handler) throws Exception {
//1.获取session
HttpSession session = request.getSession();
//2.获取session中的用户
Object user = session.getAttribute("user");
//3.判断用户是否存在
if(user == null){
//4.不存在,拦截,返回401状态码
response.setStatus(401);
return false;
}
//5.存在,保存用户信息到Threadlocal
UserHolder.saveUser((User)user);
//6.放行
return true;
}
}配置拦截器
1
2
3
4
5
6
7
8
9
10
11
12
13
14
15
16
17
18
19
20
21
22
23
public class MvcConfig implements WebMvcConfigurer {
private StringRedisTemplate stringRedisTemplate;
public void addInterceptors(InterceptorRegistry registry) {
// 登录拦截器
registry.addInterceptor(new LoginInterceptor())
.excludePathPatterns(
"/shop/**",
"/voucher/**",
"/shop-type/**",
"/upload/**",
"/blog/hot",
"/user/code",
"/user/login"
).order(1);
// token刷新的拦截器
registry.addInterceptor(new RefreshTokenInterceptor(stringRedisTemplate)).addPathPatterns("/**").order(0);
}
}
隐藏用户敏感信息
我们通过浏览器观察到此时用户的全部信息都在,这样极为不靠谱,所以我们应当在返回用户信息之前,将用户的敏感信息进行隐藏,采用的核心思路就是书写一个UserDto对象,这个UserDto对象就没有敏感信息了,我们在返回前,将有用户敏感信息的User对象转化成没有敏感信息的UserDto对象,那么就能够避免这个尴尬的问题了
在登录方法处修改1
2//7.保存用户信息到session中
session.setAttribute("user", BeanUtils.copyProperties(user,UserDTO.class));
在拦截器处修改1
2//5.存在,保存用户信息到Threadlocal
UserHolder.saveUser((UserDTO) user);
在UserHolder处:将user对象换成UserDTO1
2
3
4
5
6
7
8
9
10
11
12
13
14
15public class UserHolder {
private static final ThreadLocal<UserDTO> tl = new ThreadLocal<>();
public static void saveUser(UserDTO user){
tl.set(user);
}
public static UserDTO getUser(){
return tl.get();
}
public static void removeUser(){
tl.remove();
}
}
session共享问题
核心思路分析:
每个tomcat中都有一份属于自己的session,假设用户第一次访问第一台tomcat,并且把自己的信息存放到第一台服务器的session中,但是第二次这个用户访问到了第二台tomcat,那么在第二台服务器上,肯定没有第一台服务器存放的session,所以此时 整个登录拦截功能就会出现问题,我们能如何解决这个问题呢?早期的方案是session拷贝,就是说虽然每个tomcat上都有不同的session,但是每当任意一台服务器的session修改时,都会同步给其他的Tomcat服务器的session,这样的话,就可以实现session的共享了
但是这种方案具有两个大问题
1、每台服务器中都有完整的一份session数据,服务器压力过大。
2、session拷贝数据时,可能会出现延迟
所以咱们后来采用的方案都是基于redis来完成,我们把session换成redis,redis数据本身就是共享的,就可以避免session共享的问题了
Redis代替session的业务流程
设计key的结构
首先我们要思考一下利用redis来存储数据,那么到底使用哪种结构呢?由于存入的数据比较简单,我们可以考虑使用String,或者是使用哈希,如下图,如果使用String,同学们注意他的value,用多占用一点空间,如果使用哈希,则他的value中只会存储他数据本身,如果不是特别在意内存,其实使用String就可以啦.
- String结构,以Json字符串保存
- String 结构,以 JSON 字符串保存
| KEY | FIELD | VALUE |
|---|---|---|
| “heima:user:1” | “name” | “Jack” |
| “age” | “21” | |
| “heima:user:2” | “name” | “Rose” |
| “age” | “18” |
- Hash结构可以将对象属性独立储存
- Hash 结构可以将对象属性独立储存
| KEY | VALUE |
|---|---|
| “heima:user:1” | {“name”:”Jack”, “age”:”21”} |
| “heima:user:2” | {“name”:”Rose”, “age”:”18”} |
整体访问流程
当注册完成后,用户去登录会去校验用户提交的手机号和验证码,是否一致,如果一致,则根据手机号查询用户信息,不存在则新建,最后将用户数据保存到redis,并且生成token作为redis的key,当我们校验用户是否登录时,会去携带着token进行访问,从redis中取出token对应的value,判断是否存在这个数据,如果没有则拦截,如果存在则将其保存到threadLocal中,并且放行。
基于Redis实现用户登录
UserServiceImpl代码1
2
3
4
5
6
7
8
9
10
11
12
13
14
15
16
17
18
19
20
21
22
23
24
25
26
27
28
29
30
31
32
33
34
35
36
37
38
39
40
41
42
43
public Result login(LoginFormDTO loginForm, HttpSession session) {
// 1.校验手机号
String phone = loginForm.getPhone();
if (RegexUtils.isPhoneInvalid(phone)) {
// 2.如果不符合,返回错误信息
return Result.fail("手机号格式错误!");
}
// 3.从redis获取验证码并校验
String cacheCode = stringRedisTemplate.opsForValue().get(LOGIN_CODE_KEY + phone);
String code = loginForm.getCode();
if (cacheCode == null || !cacheCode.equals(code)) {
// 不一致,报错
return Result.fail("验证码错误");
}
// 4.一致,根据手机号查询用户 select * from tb_user where phone = ?
User user = query().eq("phone", phone).one();
// 5.判断用户是否存在
if (user == null) {
// 6.不存在,创建新用户并保存
user = createUserWithPhone(phone);
}
// 7.保存用户信息到 redis中
// 7.1.随机生成token,作为登录令牌
String token = UUID.randomUUID().toString(true);
// 7.2.将User对象转为HashMap存储
UserDTO userDTO = BeanUtil.copyProperties(user, UserDTO.class);
Map<String, Object> userMap = BeanUtil.beanToMap(userDTO, new HashMap<>(),
CopyOptions.create()
.setIgnoreNullValue(true)
.setFieldValueEditor((fieldName, fieldValue) -> fieldValue.toString()));
// 7.3.存储
String tokenKey = LOGIN_USER_KEY + token;
stringRedisTemplate.opsForHash().putAll(tokenKey, userMap);
// 7.4.设置token有效期
stringRedisTemplate.expire(tokenKey, LOGIN_USER_TTL, TimeUnit.MINUTES);
// 8.返回token
return Result.ok(token);
}
解决状态登录刷新问题
问题存在
在这个方案中,他确实可以使用对应路径的拦截,同时刷新登录token令牌的存活时间,但是现在这个拦截器他只是拦截需要被拦截的路径,假设当前用户访问了一些不需要拦截的路径,那么这个拦截器就不会生效,所以此时令牌刷新的动作实际上就不会执行,所以这个方案他是存在问题的
优化方案
既然之前的拦截器无法对不需要拦截的路径生效,那么我们可以添加一个拦截器,在第一个拦截器中拦截所有的路径,把第二个拦截器做的事情放入到第一个拦截器中,同时刷新令牌,因为第一个拦截器有了threadLocal的数据,所以此时第二个拦截器只需要判断拦截器中的user对象是否存在即可,完成整体刷新功能。
代码实现
刷新Token拦截器代码如下:1
2
3
4
5
6
7
8
9
10
11
12
13
14
15
16
17
18
19
20
21
22
23
24
25
26
27
28
29
30
31
32
33
34
35
36
37
38public class RefreshTokenInterceptor implements HandlerInterceptor {
private StringRedisTemplate stringRedisTemplate;
public RefreshTokenInterceptor(StringRedisTemplate stringRedisTemplate) {
this.stringRedisTemplate = stringRedisTemplate;
}
public boolean preHandle(HttpServletRequest request, HttpServletResponse response, Object handler) throws Exception {
// 1.获取请求头中的token
String token = request.getHeader("authorization");
if (StrUtil.isBlank(token)) {
return true;
}
// 2.基于TOKEN获取redis中的用户
String key = LOGIN_USER_KEY + token;
Map<Object, Object> userMap = stringRedisTemplate.opsForHash().entries(key);
// 3.判断用户是否存在
if (userMap.isEmpty()) {
return true;
}
// 5.将查询到的hash数据转为UserDTO(false为忽略不存在的属性)
UserDTO userDTO = BeanUtil.fillBeanWithMap(userMap, new UserDTO(), false);
// 6.存在,保存用户信息到 ThreadLocal
UserHolder.saveUser(userDTO);
// 7.刷新token有效期
stringRedisTemplate.expire(key, LOGIN_USER_TTL, TimeUnit.MINUTES);
// 8.放行
return true;
}
public void afterCompletion(HttpServletRequest request, HttpServletResponse response, Object handler, Exception ex) throws Exception {
// 移除用户
UserHolder.removeUser();
}
}
登录拦截器代码如下:1
2
3
4
5
6
7
8
9
10
11
12
13
14
15public class LoginInterceptor implements HandlerInterceptor {
public boolean preHandle(HttpServletRequest request, HttpServletResponse response, Object handler) throws Exception {
// 1.判断是否需要拦截(ThreadLocal中是否有用户)
if (UserHolder.getUser() == null) {
// 没有,需要拦截,设置状态码
response.setStatus(401);
// 拦截
return false;
}
// 有用户,则放行
return true;
}
}
商户查询缓存
了解缓存
举个例子:越野车,山地自行车,都拥有”避震器”,防止车体加速后因惯性,在酷似”U”字母的地形上飞跃,硬着陆导致的损害,像个弹簧一样;
同样,实际开发中,系统也需要”避震器”,防止过高的数据访问猛冲系统,导致其操作线程无法及时处理信息而瘫痪;
这在实际开发中对企业讲,对产品口碑,用户评价都是致命的;所以企业非常重视缓存技术;
缓存(Cache),就是数据交换的缓冲区,俗称的缓存就是缓冲区内的数据,一般从数据库中获取,存储于本地代码,例如:1
2
3
4
5例1:Static final ConcurrentHashMap<K,V> map = new ConcurrentHashMap<>(); 本地用于高并发
例2:static final Cache<K,V> USER_CACHE = CacheBuilder.newBuilder().build(); 用于redis等缓存
例3:Static final Map<K,V> map = new HashMap(); 本地缓存
由于其被Static修饰,所以随着类的加载而被加载到内存之中,作为本地缓存,由于其又被final修饰,所以其引用(例3:map)和对象(例3:new HashMap())之间的关系是固定的,不能改变,因此不用担心赋值(=)导致缓存失效;
缓存特点: 速度快,好用
缓存数据存储于代码中,而代码运行在内存中,内存的读写性能远高于磁盘,缓存可以大大降低用户访问并发量带来的服务器读写压力缓存类型:
浏览器缓存:主要是存在于浏览器端的缓存
应用层缓存:可以分为tomcat本地缓存,比如之前提到的map,或者是使用redis作为缓存
数据库缓存:在数据库中有一片空间是 buffer pool,增改查数据都会先加载到mysql的缓存中
CPU缓存:当代计算机最大的问题是 cpu性能提升了,但内存读写速度没有跟上,所以为了适应当下的情况,增加了cpu的L1,L2,L3级的缓存
添加商户缓存
缓存思路: 标准的操作方式就是查询数据库之前先查询缓存,如果缓存数据存在,则直接从缓存中返回,如果缓存数据不存在,再查询数据库,然后将数据存入redis。
代码实现:1
2
3
4
5
6
7
8
9
10
11
12
13
14
15
16
17
18
19
20
21
22
public Result queryById(Long id) {
String key = "cache:shop:" + id;
// 1.从redis查询商铺缓存
String shopJson = stringRedisTemplate.opsForValue().get(key);
// 2.判断是否存在
if (StrUtil.isNotBlank(shopJson)) {
// 3.存在,直接返回
Shop shop = JSONUtil.toBean(shopJson, Shop.class);
return Result.ok(shop);
}
// 4.不存在,根据id查询数据库
Shop shop = getById(id);
// 5.不存在,返回错误
if (shop == null) {
return Result.fail("店铺不存在!");
}
// 6.存在,写入redis
stringRedisTemplate.opsForValue().set(key, JSONUtil.toJsonStr(shop));
// 7.返回
return Result.ok(shop);
}
缓存更新策略
缓存更新是redis为了节约内存而设计出来的一个东西,主要是因为内存数据宝贵,当我们向redis插入太多数据,此时就可能会导致缓存中的数据过多,所以redis会对部分数据进行更新,或者把他叫为淘汰更合适。
内存淘汰:redis自动进行,当redis内存达到咱们设定的max-memery的时候,会自动触发淘汰机制,淘汰掉一些不重要的数据(可以自己设置策略方式)
超时剔除:当我们给redis设置了过期时间ttl之后,redis会将超时的数据进行删除,方便咱们继续使用缓存
主动更新:我们可以手动调用方法把缓存删掉,通常用于解决缓存和数据库不一致问题
关于数据库缓存不一致解决方案:
由于我们的缓存的数据源来自于数据库,而数据库的数据是会发生变化的,因此,如果当数据库中数据发生变化,而缓存却没有同步,此时就会有一致性问题存在,其后果是:
用户使用缓存中的过时数据,就会产生类似多线程数据安全问题,从而影响业务,产品口碑等;怎么解决呢?有如下几种方案
Cache Aside Pattern 人工编码方式:缓存调用者在更新完数据库后再去更新缓存,也称之为双写方案
Read/Write Through Pattern : 由系统本身完成,数据库与缓存的问题交由系统本身去处理
Write Behind Caching Pattern :调用者只操作缓存,其他线程去异步处理数据库,实现最终一致
一般采用方案一来解决问题,但同时方案一又存在以下问题:
如果采用第一个方案,那么假设我们每次操作数据库后,都操作缓存,但是中间如果没有人查询,那么这个更新动作实际上只有最后一次生效,中间的更新动作意义并不大,我们可以把缓存删除,等待再次查询时,将缓存中的数据加载出来
删除缓存还是更新缓存?
- 更新缓存:每次更新数据库都更新缓存,无效写操作较多
- 删除缓存:更新数据库时让缓存失效,查询时再更新缓存
如何保证缓存与数据库的操作的同时成功或失败?
- 单体系统,将缓存与数据库操作放在一个事务
- 分布式系统,利用TCC等分布式事务方案
应该具体操作缓存还是操作数据库,我们应当是先操作数据库,再删除缓存,原因在于,如果你选择第一种方案,在两个线程并发来访问时,假设线程1先来,他先把缓存删了,此时线程2过来,他查询缓存数据并不存在,此时他写入缓存,当他写入缓存后,线程1再执行更新动作时,实际上写入的就是旧的数据,新的数据被旧数据覆盖了。
- 先操作缓存还是先操作数据库?
- 先删除缓存,再操作数据库
- 先操作数据库,再删除缓存
实现商铺和缓存与数据库双写一致
核心思路如下:
修改ShopController中的业务逻辑,满足下面的需求:
根据id查询店铺时,如果缓存未命中,则查询数据库,将数据库结果写入缓存,并设置超时时间
根据id修改店铺时,先修改数据库,再删除缓存
修改重点代码1:修改ShopServiceImpl的queryById方法
设置redis缓存时添加过期时间1
2
3
4
5
6
7
8
9
10
11
12
13
14
15
16
17
18
19
20
21
22
public Result queryById(Long id) {
String key = CACHE_SHOP_KEY + id;
// 1.从redis查询商铺缓存
String shopJson = stringRedisTemplate.opsForValue().get(key);
// 2.判断是否存在
if (StrUtil.isNotBlank(shopJson)) {
// 3.存在,直接返回
Shop shop = JSONUtil.toBean(shopJson, Shop.class);
return Result.ok(shop);
}
// 4.不存在,根据id查询数据库
Shop shop = getById(id);
// 5.不存在,返回错误
if (shop == null) {
return Result.fail("店铺不存在!");
}
// 6.存在,写入redis
stringRedisTemplate.opsForValue().set(key, JSONUtil.toJsonStr(shop), 30L, TimeUnit.MINUTES);
// 7.返回
return Result.ok(shop);
}
修改重点代码2
代码分析:通过之前的淘汰,我们确定了采用删除策略,来解决双写问题,当我们修改了数据之后,然后把缓存中的数据进行删除,查询时发现缓存中没有数据,则会从mysql中加载最新的数据,从而避免数据库和缓存不一致的问题1
2
3
4
5
6
7
8
9
10
11
12
13
public Result update(Shop shop) {
Long id = shop.getId();
if (id == null) {
return Result.fail("店铺id不能为空");
}
// 1.更新数据库
updateById(shop);
// 2.删除缓存
stringRedisTemplate.delete(CACHE_SHOP_KEY + id);
return Result.ok();
}
缓存穿透问题解决思路
缓存穿透 :缓存穿透是指客户端请求的数据在缓存中和数据库中都不存在,这样缓存永远不会生效,这些请求都会打到数据库。
常见的解决方案有两种:
- 缓存空对象
- 优点:实现简单,维护方便
- 缺点:
- 额外的内存消耗
- 可能造成短期的不一致
- 布隆过滤
- 优点:内存占用较少,没有多余key
- 缺点:
- 实现复杂
- 存在误判可能
缓存空对象思路分析:当我们客户端访问不存在的数据时,先请求redis,但是此时redis中没有数据,此时会访问到数据库,但是数据库中也没有数据,这个数据穿透了缓存,直击数据>库,我们都知道数据库能够承载的并发不如redis这么高,如果大量的请求同时过来访问这种不存在的数据,这些请求就都会访问到数据库,简单的解决方案就是哪怕这个数据在数据库中也不存在,我们也把这个数据存入到redis中去,这样,下次用户过来访问这个不存在的数据,那么在redis中也能找到这个数据就不会进入到缓存了
布隆过滤:布隆过滤器其实采用的是哈希思想来解决这个问题,通过一个庞大的二进制数组,走哈希思想去判断当前这个要查询的这个数据是否存在,如果布隆过滤器判断存在,则放行,这个请求会去访问redis,哪怕此时redis中的数据过期了,但是数据库中一定存在这个数据,在数据库中查询出来这个数据后,再将其放入到redis中,
假设布隆过滤器判断这个数据不存在,则直接返回
这种方式优点在于节约内存空间,存在误判,误判原因在于:布隆过滤器走的是哈希思想,只要哈希思想,就可能存在哈希冲突
编码解决商品查询的缓存穿透问题:
核心思路如下:
在原来的逻辑中,我们如果发现这个数据在mysql中不存在,直接就返回404了,这样是会存在缓存穿透问题的
现在的逻辑中:如果这个数据不存在,我们不会返回404 ,还是会把这个数据写入到Redis中,并且将value设置为空,欧当再次发起查询时,我们如果发现命中之后,判断这个value是否是null,如果是null,则是之前写入的数据,证明是缓存穿透数据,如果不是,则直接返回数据。
缓存空值1
2
3
4
5
6
7
8
9
10
11
12
13
14
15
16
17
18
19
20
21
22
23
24
25
26
27
28
29
30
public Result queryById(Long id) {
String key = CACHE_SHOP_KEY + id;
// 1. 从redis查询商铺缓存
String shopJson = stringRedisTemplate.opsForValue().get(key);
// 2. 命中且不为空值,直接返回
if (StrUtil.isNotBlank(shopJson)) {
Shop shop = JSONUtil.toBean(shopJson, Shop.class);
return Result.ok(shop);
}
// 3. 命中空值(防止缓存穿透)
if (shopJson != null) {
return Result.fail("店铺不存在!");
}
// 4. 未命中,查询数据库
Shop shop = getById(id);
// 5. 数据库不存在,缓存空值
if (shop == null) {
stringRedisTemplate.opsForValue().set(key, "", CACHE_NULL_TTL, TimeUnit.MINUTES);
return Result.fail("店铺不存在!");
}
// 6. 数据库存在,写入缓存并返回
stringRedisTemplate.opsForValue().set(key, JSONUtil.toJsonStr(shop), CACHE_SHOP_TTL, TimeUnit.MINUTES);
return Result.ok(shop);
}
布隆过滤器1
2
3
4
5
6
7
8
9
10
11
12
13
14
15
16
17
18
19
20
21
22
23
24
25
26
27
28
29
30
31
32
33
34
35
36
37
38
39
40
41
42
43
44
45
46
47
48
49
50
51
52
53
54
55
56
57
58
59
60
61
62
63
public class ShopService {
private static final String CACHE_SHOP_KEY = "cache:shop:";
private static final Long CACHE_SHOP_TTL = 30L;
private BloomFilter<CharSequence> bloomFilter;
public void init() {
// 初始化布隆过滤器,预计元素数量和误判率可根据实际情况调整
bloomFilter = BloomFilter.create(
Funnels.stringFunnel(StandardCharsets.UTF_8),
100000, // 预计元素数量
0.01 // 误判率
);
// 加载所有店铺ID到布隆过滤器
loadShopIdsToBloomFilter();
}
private void loadShopIdsToBloomFilter() {
// 从数据库查询所有店铺ID
List<Long> shopIds = this.listIds();
for (Long id : shopIds) {
bloomFilter.put(String.valueOf(id));
}
}
public Result queryById(Long id) {
String key = CACHE_SHOP_KEY + id;
// 1. 布隆过滤器判断是否可能存在
if (!bloomFilter.mightContain(String.valueOf(id))) {
return Result.fail("店铺不存在!");
}
// 2. 从redis查询商铺缓存
String shopJson = stringRedisTemplate.opsForValue().get(key);
// 3. 命中且不为空值,直接返回
if (StrUtil.isNotBlank(shopJson)) {
Shop shop = JSONUtil.toBean(shopJson, Shop.class);
return Result.ok(shop);
}
// 4. 命中空值(防止缓存穿透)
if (shopJson != null) {
return Result.fail("店铺不存在!");
}
// 5. 未命中,查询数据库
Shop shop = getById(id);
// 6. 数据库不存在,缓存空值
if (shop == null) {
stringRedisTemplate.opsForValue().set(key, "", CACHE_NULL_TTL, TimeUnit.MINUTES);
return Result.fail("店铺不存在!");
}
// 7. 数据库存在,写入缓存并返回
stringRedisTemplate.opsForValue().set(key, JSONUtil.toJsonStr(shop), CACHE_SHOP_TTL, TimeUnit.MINUTES);
return Result.ok(shop);
}
}
小总结:
缓存穿透产生的原因是什么?
- 用户请求的数据在缓存中和数据库中都不存在,不断发起这样的请求,给数据库带来巨大压力
缓存穿透的解决方案有哪些?
- 缓存null值
- 布隆过滤
- 增强id的复杂度,避免被猜测id规律
- 做好数据的基础格式校验
- 加强用户权限校验
- 做好热点参数的限流
缓存雪崩问题及解决思路
缓存雪崩是指在同一时段大量的缓存key同时失效或者Redis服务宕机,导致大量请求到达数据库,带来巨大压力。
解决方案:
- 给不同的Key的TTL添加随机值
- 利用Redis集群提高服务的可用性
- 给缓存业务添加降级限流策略
- 给业务添加多级缓存
缓存击穿问题及解决思路
缓存击穿问题也叫热点Key问题,就是一个被高并发访问并且缓存重建业务较复杂的key突然失效了,无数的请求访问会在瞬间给数据库带来巨大的冲击。
常见的解决方案有两种:
- 互斥锁
- 逻辑过期
逻辑分析:假设线程1在查询缓存之后,本来应该去查询数据库,然后把这个数据重新加载到缓存的,此时只要线程1走完这个逻辑,其他线程就都能从缓存中加载这些数据了,但是假设在线程1没有走完的时候,后续的线程2,线程3,线程4同时过来访问当前这个方法, 那么这些线程都不能从缓存中查询到数据,那么他们就会同一时刻来访问查询缓存,都没查到,接着同一时间去访问数据库,同时的去执行数据库代码,对数据库访问压力过大
解决方案一、使用锁来解决:
因为锁能实现互斥性。假设线程过来,只能一个人一个人的来访问数据库,从而避免对于数据库访问压力过大,但这也会影响查询的性能,因为此时会让查询的性能从并行变成了串行,我们可以采用tryLock方法 + double check来解决这样的问题。
假设现在线程1过来访问,他查询缓存没有命中,但是此时他获得到了锁的资源,那么线程1就会一个人去执行逻辑,假设现在线程2过来,线程2在执行过程中,并没有获得到锁,那么线程2就可以进行到休眠,直到线程1把锁释放后,线程2获得到锁,然后再来执行逻辑,此时就能够从缓存中拿到数据了。
解决方案二、逻辑过期方案
方案分析:我们之所以会出现这个缓存击穿问题,主要原因是在于我们对key设置了过期时间,假设我们不设置过期时间,其实就不会有缓存击穿的问题,但是不设置过期时间,这样数据不就一直占用我们内存了吗,我们可以采用逻辑过期方案。
我们把过期时间设置在 redis的value中,注意:这个过期时间并不会直接作用于redis,而是我们后续通过逻辑去处理。假设线程1去查询缓存,然后从value中判断出来当前的数据已经过期了,此时线程1去获得互斥锁,那么其他线程会进行阻塞,获得了锁的线程他会开启一个 线程去进行 以前的重构数据的逻辑,直到新开的线程完成这个逻辑后,才释放锁, 而线程1直接进行返回,假设现在线程3过来访问,由于线程线程2持有着锁,所以线程3无法获得锁,线程3也直接返回数据,只有等到新开的线程2把重建数据构建完后,其他线程才能走返回正确的数据。
这种方案巧妙在于,异步的构建缓存,缺点在于在构建完缓存之前,返回的都是脏数据。
进行对比
互斥锁方案:由于保证了互斥性,所以数据一致,且实现简单,因为仅仅只需要加一把锁而已,也没其他的事情需要操心,所以没有额外的内存消耗,缺点在于有锁就有死锁问题的发生,且只能串行执行性能肯定受到影响
逻辑过期方案: 线程读取过程中不需要等待,性能好,有一个额外的线程持有锁去进行重构数据,但是在重构数据完成前,其他的线程只能返回之前的数据,且实现起来麻烦
| 解决方案 | 优点 | 缺点 |
|---|---|---|
| 互斥锁 | - 没有额外的内存消耗 - 保证一致性 - 实现简单 |
- 线程需要等待,性能受影响 - 可能有死锁风险 |
| 逻辑过期 | - 线程无需等待,性能较好 | - 不保证一致性 - 有额外内存消耗 - 实现复杂 |
利用互斥锁解决缓存击穿问题
核心思路:相较于原来从缓存中查询不到数据后直接查询数据库而言,现在的方案是 进行查询之后,如果从缓存没有查询到数据,则进行互斥锁的获取,获取互斥锁后,判断是否获得到了锁,如果没有获得到,则休眠,过一会再进行尝试,直到获取到锁为止,才能进行查询
如果获取到了锁的线程,再去进行查询,查询后将数据写入redis,再释放锁,返回数据,利用互斥锁就能保证只有一个线程去执行操作数据库的逻辑,防止缓存击穿
操作锁的代码:
核心思路就是利用redis的setnx方法来表示获取锁,该方法含义是redis中如果没有这个key,则插入成功,返回1,在stringRedisTemplate中返回true, 如果有这个key则插入失败,则返回0,在stringRedisTemplate返回false,我们可以通过true,或者是false,来表示是否有线程成功插入key,成功插入的key的线程我们认为他就是获得到锁的线程。1
2
3
4
5
6
7
8private boolean tryLock(String key) {
Boolean flag = stringRedisTemplate.opsForValue().setIfAbsent(key, "1", 10, TimeUnit.SECONDS);
return BooleanUtil.isTrue(flag);
}
private void unlock(String key) {
stringRedisTemplate.delete(key);
}
操作代码:1
2
3
4
5
6
7
8
9
10
11
12
13
14
15
16
17
18
19
20
21
22
23
24
25
26
27
28
29
30
31
32
33
34
35
36
37
38
39
40
41
42
43
44
45
46
47public Shop queryWithMutex(Long id) {
String key = CACHE_SHOP_KEY + id;
// 1、从redis中查询商铺缓存
String shopJson = stringRedisTemplate.opsForValue().get("key");
// 2、判断是否存在
if (StrUtil.isNotBlank(shopJson)) {
// 存在,直接返回
return JSONUtil.toBean(shopJson, Shop.class);
}
//判断命中的值是否是空值
if (shopJson != null) {
//返回一个错误信息
return null;
}
// 4.实现缓存重构
//4.1 获取互斥锁
String lockKey = "lock:shop:" + id;
Shop shop = null;
try {
boolean isLock = tryLock(lockKey);
// 4.2 判断否获取成功
if(!isLock){
//4.3 失败,则休眠重试
Thread.sleep(50);
return queryWithMutex(id);
}
//4.4 成功,根据id查询数据库
shop = getById(id);
// 5.不存在,返回错误
if(shop == null){
//将空值写入redis
stringRedisTemplate.opsForValue().set(key,"",CACHE_NULL_TTL,TimeUnit.MINUTES);
//返回错误信息
return null;
}
//6.写入redis
stringRedisTemplate.opsForValue().set(key,JSONUtil.toJsonStr(shop),CACHE_NULL_TTL,TimeUnit.MINUTES);
}catch (Exception e){
throw new RuntimeException(e);
}
finally {
//7.释放互斥锁
unlock(lockKey);
}
return shop;
}
利用逻辑过期解决缓存击穿问题
需求:修改根据id查询商铺的业务,基于逻辑过期方式来解决缓存击穿问题
思路分析:当用户开始查询redis时,判断是否命中,如果没有命中则直接返回空数据,不查询数据库,而一旦命中后,将value取出,判断value中的过期时间是否满足,如果没有过期,则直接返回redis中的数据,如果过期,则在开启独立线程后直接返回之前的数据,独立线程去重构数据,重构完成后释放互斥锁。
如果封装数据:因为现在redis中存储的数据的value需要带上过期时间,此时要么你去修改原来的实体类,要么你
步骤一、
新建一个实体类,我们采用第二个方案,这个方案,对原来代码没有侵入性。1
2
3
4
5
public class RedisData {
private LocalDateTime expireTime;
private Object data;
}
步骤二、
在ShopServiceImpl 新增此方法,利用单元测试进行缓存预热1
2
3
4
5
6
7
8
9
10public void saveShop2Redis(Long id, Long expireSeconds) {
// 1.查询店铺数据
Shop shop = getById(id);
// 2.封装逻辑过期时间
RedisData redisData = new RedisData();
redisData.setData(shop);
redisData.setExpireTime(LocalDateTime.now().plusSeconds(expireSeconds));
// 3.写入Redis
stringRedisTemplate.opsForValue().set(CACHE_SHOP_KEY + id, JSONUtil.toJsonStr(redisData));
}
步骤三:正式代码1
2
3
4
5
6
7
8
9
10
11
12
13
14
15
16
17
18
19
20
21
22
23
24
25
26
27
28
29
30
31
32
33
34
35
36
37
38
39
40
41private static final ExecutorService CACHE_REBUILD_EXECUTOR = Executors.newFixedThreadPool(10);
public Shop queryWithLogicalExpire( Long id ) {
String key = CACHE_SHOP_KEY + id;
// 1.从redis查询商铺缓存
String json = stringRedisTemplate.opsForValue().get(key);
// 2.判断是否存在
if (StrUtil.isBlank(json)) {
// 3.存在,直接返回
return null;
}
// 4.命中,需要先把json反序列化为对象
RedisData redisData = JSONUtil.toBean(json, RedisData.class);
Shop shop = JSONUtil.toBean((JSONObject) redisData.getData(), Shop.class);
LocalDateTime expireTime = redisData.getExpireTime();
// 5.判断是否过期
if(expireTime.isAfter(LocalDateTime.now())) {
// 5.1.未过期,直接返回店铺信息
return shop;
}
// 5.2.已过期,需要缓存重建
// 6.缓存重建
// 6.1.获取互斥锁
String lockKey = LOCK_SHOP_KEY + id;
boolean isLock = tryLock(lockKey);
// 6.2.判断是否获取锁成功
if (isLock){
CACHE_REBUILD_EXECUTOR.submit( ()->{
try{
//重建缓存
this.saveShop2Redis(id,20L);
}catch (Exception e){
throw new RuntimeException(e);
}finally {
unlock(lockKey);
}
});
}
// 6.4.返回过期的商铺信息
return shop;
}
封装Redis工具类
基于StringRedisTemplate封装一个缓存工具类,满足下列需求:
- 方法1:将任意Java对象序列化为json并存储在string类型的key中,并且可以设置TTL过期时间
- 方法2:将任意Java对象序列化为json并存储在string类型的key中,并且可以设置逻辑过期时间,用于处理缓
缓存击穿问题- 方法3:根据指定的key查询缓存,并反序列化为指定类型,利用缓存空值的方式解决缓存穿透问题
- 方法4:根据指定的key查询缓存,并反序列化为指定类型,需要利用逻辑过期解决缓存击穿问题
将逻辑进行封装1
2
3
4
5
6
7
8
9
10
11
12
13
14
15
16
17
18
19
20
21
22
23
24
25
26
27
28
29
30
31
32
33
34
35
36
37
38
39
40
41
42
43
44
45
46
47
48
49
50
51
52
53
54
55
56
57
58
59
60
61
62
63
64
65
66
67
68
69
70
71
72
73
74
75
76
77
78
79
80
81
82
83
84
85
86
87
88
89
90
91
92
93
94
95
96
97
98
99
100
101
102
103
104
105
106
107
108
109
110
111
112
113
114
115
116
117
118
119
120
121
122
123
124
125
126
127
128
129
130
131
132
133
134
135
136
137
138
139
140
141
142
143
144
145
146
147
148
149
150
151
152
153
154
155
156
157
158
public class CacheClient {
private final StringRedisTemplate stringRedisTemplate;
private static final ExecutorService CACHE_REBUILD_EXECUTOR = Executors.newFixedThreadPool(10);
public CacheClient(StringRedisTemplate stringRedisTemplate) {
this.stringRedisTemplate = stringRedisTemplate;
}
public void set(String key, Object value, Long time, TimeUnit unit) {
stringRedisTemplate.opsForValue().set(key, JSONUtil.toJsonStr(value), time, unit);
}
public void setWithLogicalExpire(String key, Object value, Long time, TimeUnit unit) {
// 设置逻辑过期
RedisData redisData = new RedisData();
redisData.setData(value);
redisData.setExpireTime(LocalDateTime.now().plusSeconds(unit.toSeconds(time)));
// 写入Redis
stringRedisTemplate.opsForValue().set(key, JSONUtil.toJsonStr(redisData));
}
public <R,ID> R queryWithPassThrough(
String keyPrefix, ID id, Class<R> type, Function<ID, R> dbFallback, Long time, TimeUnit unit){
String key = keyPrefix + id;
// 1.从redis查询商铺缓存
String json = stringRedisTemplate.opsForValue().get(key);
// 2.判断是否存在
if (StrUtil.isNotBlank(json)) {
// 3.存在,直接返回
return JSONUtil.toBean(json, type);
}
// 判断命中的是否是空值
if (json != null) {
// 返回一个错误信息
return null;
}
// 4.不存在,根据id查询数据库
R r = dbFallback.apply(id);
// 5.不存在,返回错误
if (r == null) {
// 将空值写入redis
stringRedisTemplate.opsForValue().set(key, "", CACHE_NULL_TTL, TimeUnit.MINUTES);
// 返回错误信息
return null;
}
// 6.存在,写入redis
this.set(key, r, time, unit);
return r;
}
public <R, ID> R queryWithLogicalExpire(
String keyPrefix, ID id, Class<R> type, Function<ID, R> dbFallback, Long time, TimeUnit unit) {
String key = keyPrefix + id;
// 1.从redis查询商铺缓存
String json = stringRedisTemplate.opsForValue().get(key);
// 2.判断是否存在
if (StrUtil.isBlank(json)) {
// 3.存在,直接返回
return null;
}
// 4.命中,需要先把json反序列化为对象
RedisData redisData = JSONUtil.toBean(json, RedisData.class);
R r = JSONUtil.toBean((JSONObject) redisData.getData(), type);
LocalDateTime expireTime = redisData.getExpireTime();
// 5.判断是否过期
if(expireTime.isAfter(LocalDateTime.now())) {
// 5.1.未过期,直接返回店铺信息
return r;
}
// 5.2.已过期,需要缓存重建
// 6.缓存重建
// 6.1.获取互斥锁
String lockKey = LOCK_SHOP_KEY + id;
boolean isLock = tryLock(lockKey);
// 6.2.判断是否获取锁成功
if (isLock){
// 6.3.成功,开启独立线程,实现缓存重建
CACHE_REBUILD_EXECUTOR.submit(() -> {
try {
// 查询数据库
R newR = dbFallback.apply(id);
// 重建缓存
this.setWithLogicalExpire(key, newR, time, unit);
} catch (Exception e) {
throw new RuntimeException(e);
}finally {
// 释放锁
unlock(lockKey);
}
});
}
// 6.4.返回过期的商铺信息
return r;
}
public <R, ID> R queryWithMutex(
String keyPrefix, ID id, Class<R> type, Function<ID, R> dbFallback, Long time, TimeUnit unit) {
String key = keyPrefix + id;
// 1.从redis查询商铺缓存
String shopJson = stringRedisTemplate.opsForValue().get(key);
// 2.判断是否存在
if (StrUtil.isNotBlank(shopJson)) {
// 3.存在,直接返回
return JSONUtil.toBean(shopJson, type);
}
// 判断命中的是否是空值
if (shopJson != null) {
// 返回一个错误信息
return null;
}
// 4.实现缓存重建
// 4.1.获取互斥锁
String lockKey = LOCK_SHOP_KEY + id;
R r = null;
try {
boolean isLock = tryLock(lockKey);
// 4.2.判断是否获取成功
if (!isLock) {
// 4.3.获取锁失败,休眠并重试
Thread.sleep(50);
return queryWithMutex(keyPrefix, id, type, dbFallback, time, unit);
}
// 4.4.获取锁成功,根据id查询数据库
r = dbFallback.apply(id);
// 5.不存在,返回错误
if (r == null) {
// 将空值写入redis
stringRedisTemplate.opsForValue().set(key, "", CACHE_NULL_TTL, TimeUnit.MINUTES);
// 返回错误信息
return null;
}
// 6.存在,写入redis
this.set(key, r, time, unit);
} catch (InterruptedException e) {
throw new RuntimeException(e);
}finally {
// 7.释放锁
unlock(lockKey);
}
// 8.返回
return r;
}
private boolean tryLock(String key) {
Boolean flag = stringRedisTemplate.opsForValue().setIfAbsent(key, "1", 10, TimeUnit.SECONDS);
return BooleanUtil.isTrue(flag);
}
private void unlock(String key) {
stringRedisTemplate.delete(key);
}
}
在ShopServiceImpl 中1
2
3
4
5
6
7
8
9
10
11
12
13
14
15
16
17
18
19
20
21
22
23
private CacheClient cacheClient;
public Result queryById(Long id) {
// 解决缓存穿透
Shop shop = cacheClient
.queryWithPassThrough(CACHE_SHOP_KEY, id, Shop.class, this::getById, CACHE_SHOP_TTL, TimeUnit.MINUTES);
// 互斥锁解决缓存击穿
// Shop shop = cacheClient
// .queryWithMutex(CACHE_SHOP_KEY, id, Shop.class, this::getById, CACHE_SHOP_TTL, TimeUnit.MINUTES);
// 逻辑过期解决缓存击穿
// Shop shop = cacheClient
// .queryWithLogicalExpire(CACHE_SHOP_KEY, id, Shop.class, this::getById, 20L, TimeUnit.SECONDS);
if (shop == null) {
return Result.fail("店铺不存在!");
}
// 7.返回
return Result.ok(shop);
}



















